Виброопоры, резинометаллический амортизатор
Виброопора предназначена для уменьшения значений вибраций насосных установок. Имеет высокую надежность и срок службы, место привулканазации резины имеет более высокую прочность чем прочность самой резины.
Гарантийный срок эксплуатации 5 лет.
Очень часто виброопора устанавливается совместно с виброгасящими вставками и патрубками, вставки устанавливаются на подводящие и напорные линии трубопровода, амортизатор устанавливается в местах соединения с основой (опорой) насовных установок. лагодаря такой комбинации получатеся уменьшить уровень вибраций насосных установок, уменьшается подача вибрции на трубы, фендамент и иные опоры.
ХАРАКТЕРИСТИКА
Номинальная грузоподъемность - 25 кг
Собственная частота при номинальной нагрузке - 8 гц
Рабочий температурный диапазон - от -40° до 50° С
Гарантийный срок эксплуатации - 5 лет

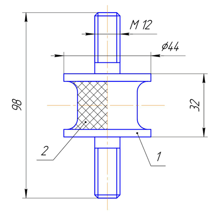
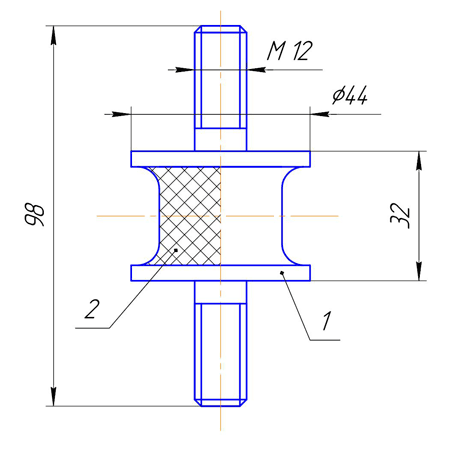
1 металлические подпятники 2 виброгасящая резина
Наши специалисты готовы ответить на любые Ваши вопросы по телефону в Минске:
+375-29-680-33-09 (velcom)+375-17-399-34-69 (Городской)
Задать вопрос по товару