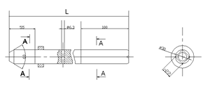
Штанга пожарного гидранта
Для поддержания работоспособности пожарного гидранта, и соглассно действующим правилам эксплуатации проверка состояния пожарных гидрантов должна проводиться не реже чем 2 раза в год. К деталям и узлам гидранта, которые наиболее подвержены отказам относятся: квадрат штанги, клапан, ниппель с резьбой, шпонка, причем порядка 65% отказов приходится на квадрат штанги.
Мы предлагаем штанги для пожарных гидрантов подземных произведенных по ГОСТ 8220-85 из коррозионно-стойкой стали марки 20Х13. Верхний и нижний квадраты штанги подвергаются термообработке.
Применение данных штанг гарантированно избавит вас от частого дефекта пожарного гидранта, как выход из строя квадрата штанги, а значит и от 65% ежегодного объема ремонтный работ.
| Номинал | L, мм | Масса, кг |
|---|---|---|
| H1,00 | 720 | 4,0 |
| H1,25 | 970 | 5,4 |
| H1,50 | 1220 | 6,8 |
| H1,75 | 1470 | 8,2 |
| H2,00 | 1720 | 9,6 |
| H2,25 | 1970 | 10,9 |
| H2,50 | 2220 | 12,3 |
| H2,75 | 2470 | 13,7 |
| H3,00 | 2720 | 15,1 |
| H3,25 | 2970 | 16,5 |
Наши специалисты готовы ответить на любые Ваши вопросы по телефону в Минске:
+375-29-680-33-09 (velcom)+375-17-399-34-69 (Городской)
Задать вопрос по товару